Nitriding is a low-temperature thermochemical treatment used to enhance the surface hardness, wear resistance, and fatigue strength of steel components. Due to its low processing temperature, it ensures excellent dimensional stability, making it essential for precision parts such as machine tool spindles, crankshafts, and extrusion dies where high durability and minimal deformation are required.
What is Nitriding?
Nitriding is a chemical heat treatment process in which nitrogen atoms are infiltrated into the surface layer of a workpiece at a certain temperature.
After nitriding, steel parts form a surface layer composed of nitrides, which exhibits very high hardness (1000–1100 HV) and maintains this hardness without decline even at 600–650°C, thus providing excellent wear resistance and hot hardness. Following nitriding of steel, the volume of the nitrided layer increases, generating compressive stress on the surface that significantly enhances fatigue strength. In addition, the low nitriding temperature results in minimal part distortion. The nitrided surface forms a dense nitride layer with high chemical stability, offering good corrosion resistance and stability in water, superheated steam, and alkaline solutions.

Nitriding steels include 35CrAlA and 38CrMoAlA. Before nitriding, parts must undergo quenching and tempering to stabilize the core microstructure and achieve good comprehensive mechanical properties, ensuring minimal dimensional changes during service, with no need for additional heat treatment after nitriding.
Nitriding is primarily applied to machine parts requiring high fatigue strength, good wear resistance, and precise dimensions, such as spindles and sleeves of boring and grinding machines, worm gears, and diesel engine crankshafts. Due to its excellent surface polishing performance and certain corrosion resistance, it is also used for plastic molds.
The nitriding methods currently in use mainly include gas nitriding and plasma nitriding.
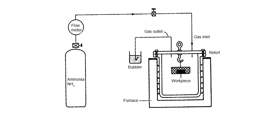
Gas Nitriding
Gas nitriding, also known as gas soft nitriding, is performed in a pit furnace from which air has been evacuated in advance. The degreased and cleaned workpiece is placed in a sealed furnace, heated, and ammonia gas is introduced. Ammonia decomposes above 380°C to produce active nitrogen atoms according to the following reaction:
2NH₃ → 3H₂ + 2[N]
The active nitrogen atoms are absorbed by the steel surface, forming a solid solution and nitrides (such as AlN). As the nitriding time extends, nitrogen atoms gradually diffuse inward, resulting in a nitrided layer of a certain depth.

Common nitriding temperatures are 550–570°C, and the nitriding time depends on the required layer depth. Generally, the nitrided layer depth is 0.4–0.6 mm, requiring 40–70 hours, so the production cycle for gas nitriding is relatively long.
The gas nitriding process includes four stages: pre-nitriding preparation, evacuation and heating, nitriding holding, and cooling. To ensure smooth nitriding, workpieces must be degreased with gasoline or alcohol before loading. The cleaned surface must be free of rust or contaminants. For areas not requiring nitriding, anti-nitriding measures such as tin plating, copper plating, or coating application can be used. Nitrided parts should be avoided, as sharp edges often form deeper and more brittle layers. After nitriding, parts should be handled carefully upon removal to avoid collisions; slender and precision parts should be hung for cooling to prevent distortion and new stresses.
Due to low ammonia decomposition efficiency, gas nitriding is generally suitable for nitriding steels containing elements such as Al, Cr, and Mo. It is mainly used for precision parts with high wear resistance and dimensional accuracy requirements, important parts under alternating loads, and heat- and wear-resistant components, such as boring machine spindles, high-speed precision gears, high-speed diesel engine crankshafts, valves, and die-casting molds.
Plasma Nitriding
Plasma nitriding is performed utilizing the glow discharge phenomenon between the workpiece (cathode) and anode under a certain vacuum level, hence also known as glow discharge plasma nitriding.

Image Credit: ScienceDirect
The metal workpiece is placed as the cathode in a negative-pressure vessel containing a nitrogen-bearing medium. Upon energization, nitrogen atoms in the medium are ionized, forming a plasma region between the cathode and anode. Under the strong electric field in the plasma region, positive nitrogen and hydrogen ions bombard the workpiece surface at high speed. This ion bombardment causes atomic sputtering on the surface, purifying it, while nitrogen infiltrates the surface through adsorption and diffusion.
Compared to conventional gas nitriding, plasma nitriding offers the following advantages:
- Appropriately shortened nitriding cycle.
- Reduced brittleness in the nitrided layer.
- Savings in energy and ammonia consumption.
- Ability to shield areas not requiring nitriding for localized treatment.
- Surface purification by ion bombardment removes passive films, enabling direct nitriding of stainless and heat-resistant steels.
- Controllable nitrided layer thickness and microstructure.
Disadvantages include high equipment investment, uneven temperature distribution, and strict operational requirements.
Plasma nitriding is suitable for lightly loaded, high-speed parts requiring wear and corrosion resistance, as well as high-precision slender rod-type components, such as boring machine spindles, precision machine tool lead screws, valve stems, and valves.
Steels for Nitriding
To achieve a high-hardness and wear-resistant nitrided layer on the steel surface, alloy steels containing specific alloying elements must be used for nitriding. This is because nitrides formed with certain alloy elements are far more stable than iron nitrides and distribute with high dispersion in the nitrided layer, resulting in very high hardness.
Common alloying elements include Al, Cr, V, Mo, Mn, and W. The most used nitriding steels are 38CrMoAl and 35CrAl, which provide very high surface hardness and wear resistance after nitriding. Steels for improving fatigue strength include 38CrA, 40CrNiMoA, and 18Cr2Ni4WA; stainless steels include 45Cr14Ni14W2Mo and Cr10Si2Mn; die steels include 3Cr2W8V; spring steels include 50CrVA.
Preparatory Heat Treatment for Nitriding
The typical processing route for nitrided workpieces is: forging → annealing (or normalizing + high-temperature tempering) → rough machining → quenching and tempering → semi-finishing → stress relief → finishing → nitriding → final grinding or polishing.
As seen from the route, preparatory heat treatments before nitriding include annealing (or normalizing + high-temperature tempering), quenching and tempering, and stress relief.
These steps prepare for nitriding, as workpieces generally undergo no further machining after nitriding.
Annealing and normalizing refine the microstructure, improve machinability, eliminate internal stresses, and prepare for quenching and tempering.

Quenching and Tempering
Quenching and tempering is a critical preparatory heat treatment aimed at obtaining a uniform and fine sorbite microstructure. This not only ensures good, comprehensive mechanical properties in the core but also provides the necessary microstructural preparation for nitriding.
The quenching and tempering parameters significantly affect nitriding quality. For 38CrMoAlA steel, critical points are higher: Ac1 = 790°C, Ac3 = 900°C, Ar1 = 740°C. Additionally, aluminum stabilizes ferrite, making it less soluble in austenite during heating, so normalizing and quenching temperatures should be elevated, with holding times about 1.5 times longer than for general alloy structural steels.
If the quenching temperature is too low or the holding time is insufficient, leading to incomplete dissolution of ferrite in austenite, free ferrite on the surface during nitriding will greatly increase layer brittleness. Conversely, excessively high quenching temperature coarsens austenite grains, causing nitrides to preferentially extend along grain boundaries, resulting in pronounced wavy or network-like structures in the nitrided layer.
Tempering temperature also greatly influences nitriding quality. It determines hardness after quenching and tempering: higher tempering temperature lowers hardness, reduces carbide dispersion in the matrix, facilitates nitrogen infiltration during nitriding, increases penetration rate, and deepens the layer. As tempering temperature rises, nitrided layer hardness decreases, with slight core hardness reduction.
For complex-shaped workpieces, stress-relief annealing is needed to eliminate machining-induced stresses and reduce distortion during nitriding. To avoid reducing quenched-and-tempered hardness, stress-relief temperature should be 40–70°C below tempering temperature, with appropriately extended holding time and slow cooling below 150°C before removal.
Table 1: Preliminary Heat Treatment Processes for Gas Nitriding
| Material | Preliminary Heat Treatment Process |
| General structural steel parts / Parts with low impact toughness requirements | Quenching and tempering (Q&T). The high-temperature tempering temperature should be 20 to 40°Chigher than the nitriding temperature; holding time should not be excessive. |
| 38CrMoAl steel | Normalizing can be used, but the cooling rate must be fast. Normalizing is prohibited for workpieces with large cross-sections. Q&T must be used; otherwise, acicular nitrides may not readily appear in the nitrided layer. For tool and die steels, quenching and tempering are typically performed before nitriding; annealing is prohibited. |
| Slender, thin-walled, complex, and precision parts | One or more stress-relief treatments are required before nitriding. The stress-relief temperature is generally lower than the tempering temperature but higher than the nitriding temperature. |
How Getzshape Can Help
Getzshape delivers high-quality custom CNC machining, sheet metal fabrication, electrical discharge machining and more. Leveraging advanced equipment and strict quality control, we ensure accuracy and on-time delivery for prototypes to large production runs. As your end-to-end manufacturing partner, we streamline sourcing, machining, post-processing, and logistics.






